
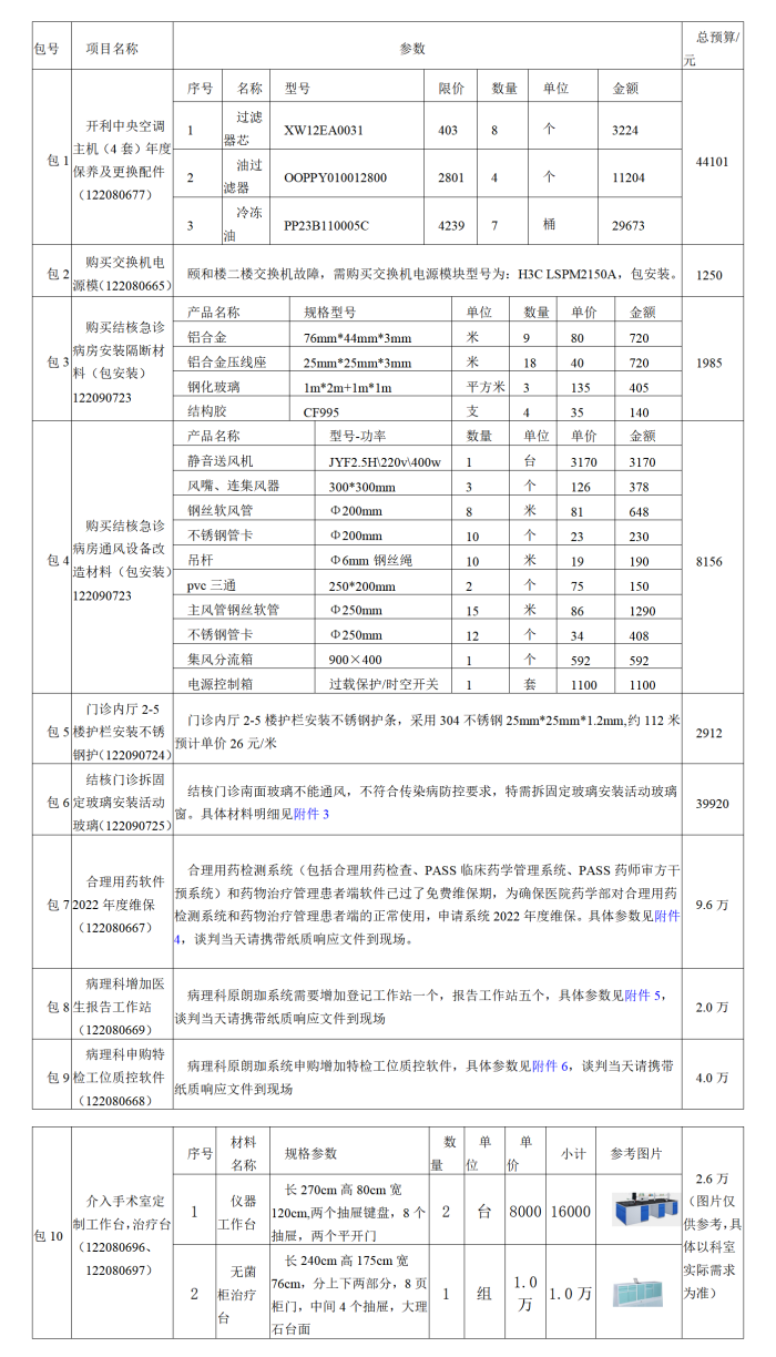
因医院临床医疗业务工作发展需求,香港马会app就以下项目组织院内采购。现采用发布公告的方式邀请有意向的供应商参加采购活动。

点击可直接下载——
二、参与流程:
1、请有意向的供应商将发送至邮箱:[email protected],邮件标题格式:报名表/包号/公司名称/联系方式,例如报名表/包号/XXX公司/139XXXXXX。报名截止时间:2022年9月15日12:00,以邮件达到时间为准。
2、包7、包8、包9请于2022年9月16日14:45携带相关资料到谈判现场参与院内谈判。
3、包1至包6院内谈判供应商不用到现场,请2022年9月16日14:45分-15:30分将响应文件盖章扫描版电子档发送到采购办邮箱,邮件标题格式:响应文件/包号/公司名称/联系方式,例如响应文件/X包/XXX公司/139XXXXXX。
4、院内谈判期间,将有二次报价,第一次报价不能超预算,请慎重考虑后作出第二次报价。
5、院内谈判根据符合采购需求、质量和服务相等且报价最低的原则确定成交供应商
三、采购谈判日期:2022年9月16日14:45分-17:00分
评审地点:湖南省长沙市韶山南路161号,香港马会app 药学楼309室
四、联系方式:
电话:0731-85668012
联系人:罗老师
五、注意事项:
中标后无正当理由不签订合同、或转让、或分包项目以及拒绝履行合同义务的,将计入不良信用记录。